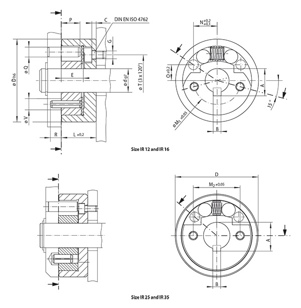
Irreversible Locks

Login

Contact us

Chile


 



RINGSPANN Sudamérica SpA

Miraflores 222, Piso 28-N

Santiago, Region Metropolitana

Chile



+56 9 9147 2833

 

info@ringspannsudamerica.com

 

www.ringspannsudamerica.com

*

 

 

* *

 

*

 

 

*

250 / 250 characters

 

I accept the privacy policy *

By accepting the box you agree to receive information about our company and our news (products, catalogs ...).


 I am not a robot

 


* The fields marked with a star are required fields.